Преимущества
Среди основных преимуществ Гринлос Аэро Лайт 3 Миди можно выделить следующие:
- Малый вес, при большом запасе прочности.
- Узкий корпус с упрощенным устройством позволяет быстро и качественно очищать стоки за приемлемую цену.
- Высокая степень переработки стоков (до 98%).
- Низкий уровень энергопотребления.
- Бесшумность при работе.
- Блок электрооборудования отделен от рабочих камер и не боится подтопления.
- Не требует дополнительных навыков при монтаже и обслуживании.
- Не требует расходных материалов (биопрепаратов) и регулярного обслуживания (установил – забыл).
Устройство и принцип работы
Станция Биологической Очистки Гринлос Аэро Лайт 3 Миди предназначены для расщепления и переработки основных органических загрязнений, содержащихся в бытовых сточных водах. Эти процессы происходят в результате жизнедеятельности аэробных микроорганизмов, условия для жизнедеятельности которых создает септик.
Естественный природный процесс в Гринлос Аэро Лайт 3 Миди оптимизирован путем аэрации стоков и установки биозагрузки (специального устройства, на котором образуется биопленка из микроорганизмов). Благодаря использованию двух видов ила – свободного и фиксированного, достигается более высокая степень очистки, удлиняется временной интервал планового обслуживания.
Септик Гринлос Аэро Лайт 3 Миди изготавливается из первичного полипропилена. Корпус разделен на четыре отсека со специальными технологическими переливами. Перетекая из одной камеры в другую, стоки последовательно проходят процессы усреднения, аэрации, отстаивания, нитрификации и денитрификации, осветления, после чего выводятся в грунт принудительным или самотечным способом.
Монтаж
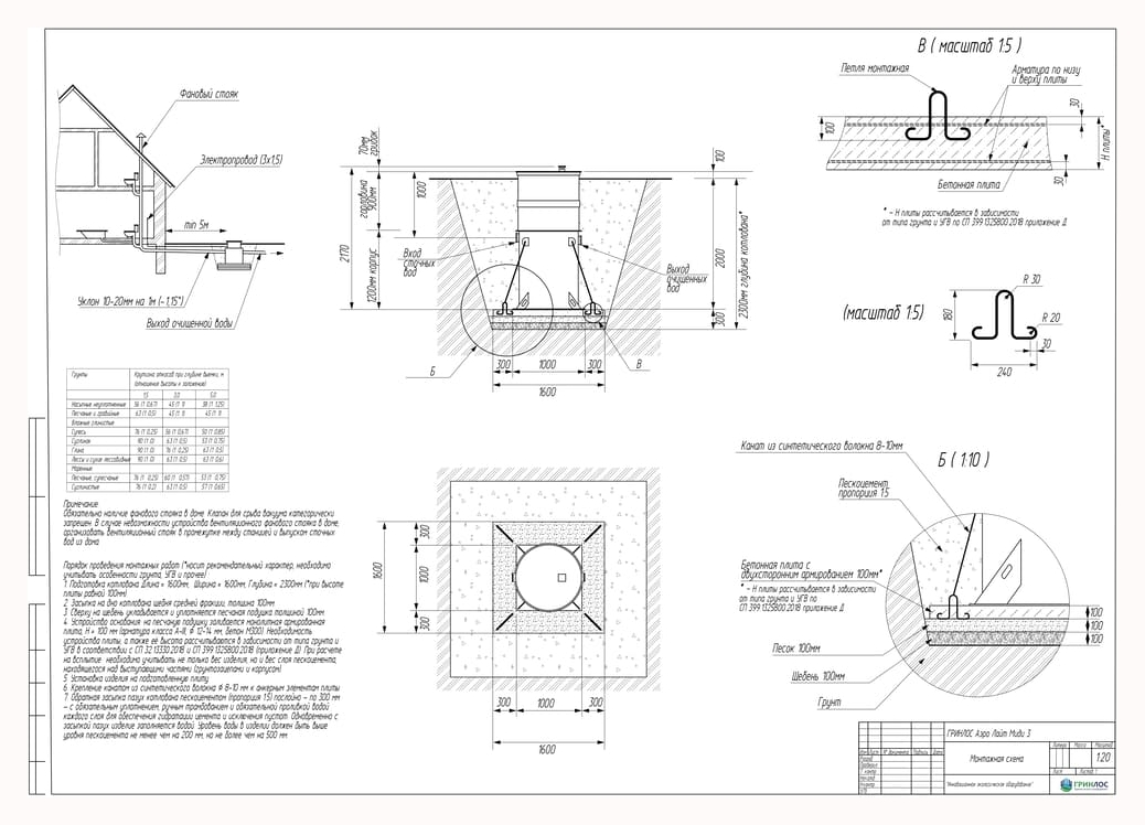
Перед непосредственным монтажом Гринлос Аэро Лайт 3 Миди специалисты осуществляют подготовку котлована. Его размеры определяются конструктивными особенностями выбранной модели оборудования.
По боковым стенкам корпуса должно быть сохранено свободное расстояние до грунта не менее 250 мм. Дно котлована нуждается в более тщательной подготовке. Его подвергают выравниванию с последующей засыпкой слоем песка, обладающим толщиной в пределах 10-15 см. Пазухи котлована подвергают обратной засыпке при помощи песка, который послойно поливают водой. Прежде чем приступить к аналогичным работам, камеры септика Гринлос Аэро Лайт 3 Миди на четверть заполняют водой. Впоследствии количество воды внутри емкости увеличивают соразмерно уровню засыпки песком наружных стенок. Каждые 200 мм песка подвергаются ручному уплотнению.
Поверх корпуса оборудования выполняется песчаная обсыпка на высоту 150-300 мм. Для подсоединения оборудования к внутренней канализационной магистрали применяют канализационные трубы, предназначенные для эксплуатации в наружной канализационной системе, обладающие диаметром 110 мм.
Уклон труб при создании трубопроводной сети должен неизменно составлять 2,5-3 см на каждый метр расстояния.
