Септик Гринлос Аэро Лайт 2 Пр Миди
В наличии
- 10 %
Экономия 14 900 ₽
- Со склада в Москве и Подмосковье 11.04.2026, бесплатно
- ПВЗ Деловые линии, СДЭК, ПЭК 13.04.2026, по тарифам ТК
|
Способ отвода: |
Гринлос Аэро Лайт 2 Гринлос Аэро Лайт 2 Пр |
|
Корпус: |
Гринлос Аэро Лайт 2 Пр НК Гринлос Аэро Лайт 2 Пр Миди Гринлос Аэро Лайт 2 Пр НК Миди |
- Количество пользователей: 2 человека
- Залповый сброс: 120 л
- Объём переработки: 0.6 м3/сут
- Насос для откачки: есть
- Диаметр труб (вх/вых): 110/25 мм
- Глубина залегания подводящей трубы: до 100 см
- ДхШхВ: 0.93х0.93х1.97 м
- Способ отвода: принудительный
- Диаметр: 0.93 м
- Размер основания: 1000*1000 мм
- Высота от верха крышки до подводящей трубы: 1000 мм
- Высота крышки: 50 мм
- Вес: 88 кг
- Проживание: постоянное
- Наличие: на складе, доставка сегодня
- человек x2
- краны x1
- туалеты x1
- стиральные машины x1
Преимущества над конкурентами
Биозагрузка, с помощью которой стоки очищаются более тщательно, входит в базовую комплектацию септика Гринлос Аэро Лайт 2 Пр Миди.
Аэратор способствует циркуляции воздуха и создает условия для размножения бактерий. Вместе с биозагрузкой достигается максимальный уровень переработки стоков.
Чтобы предотвратить всплытие на обводненных участках, на корпусе Гринлос Аэро Лайт 2 Пр Миди установлены крепкие грунтозацепы, которые не сломаются, даже при сильном давлении почвы.
Для предотвращения затопления электрооборудования, горловина септика оснащена отдельным герметичным отсеком, который не совмещается с рабочими камерами.
Данная модель септика выполнена в едином корпусе, без различия между диаметрами горловины и корпуса, является облегченной аналогичной модели серии Аэро.
Модификация Гринлос Аэро Лайт 2 Пр Миди выступает менее затратной в изготовлении и эксплуатации относительно септика Аэро .
Комплектация
Септик изготавливается в едином цилиндрическом корпусе и поставляется полностью укомплектованным и готовым к работе.
В комплект поставки септика Гринлос Аэро Лайт 2 Пр Миди входят следующие элементы:
- Корпус «Гринлос Аэро Лайт 2 Пр Миди» (1 шт.)
- Крышка (1 шт.)
- Компрессор (1 шт.)
- Эрлифт (2 шт.)
- Эрлифт сбора пленок (1 шт.)
- Устройство перемешивания (1 шт.)
Эксплуатационная документация, в том числе:
- Технический паспорт «Гринлос Аэро Лайт»
- Сертификат соответствия ГОСТ Р ИСО 9001-2015 (ISO 9001:2005)
- Сертификат соответствия системе ГОСТ Р
- Декларация соответствия EAC
Особенности
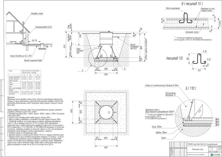
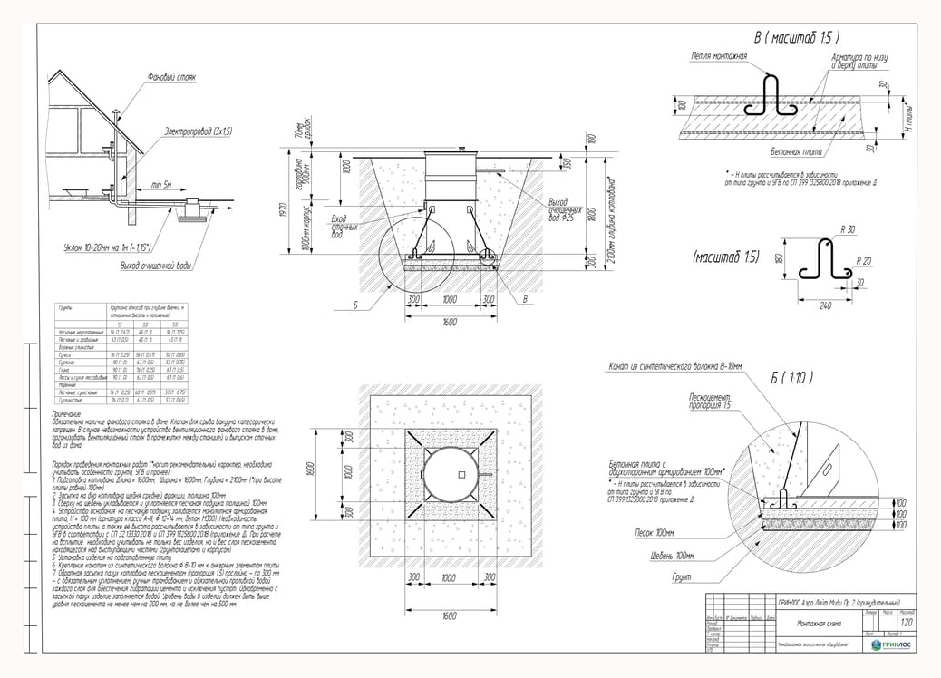
Септик Гринлос Аэро Лайт 2 Пр Миди является аэрационной системой очистки сточных вод. Очистка происходит путем отстаивания твердых фракций, перетекания жидкости из одной камеры в другую, очистки через встроенный биофильтр и жизнедеятельность бактерий.
Суточный объем переработки 0,6 м³/сут рассчитан на обслуживание 2 человек. Подпись ПР указывает на то, что септик обладает принудительным водоотведением.
В септике Гринлос Аэро Лайт 2 Пр Миди корпус и горловина имеют равный диаметр. Такая конструктивная особенность делает оборудование легче, уход за септиком проще, а также влияет на цену септика.
Данная модификация позволяет осуществлять врезку подводящей трубы на глубине до 100 см.
Модификации Гринлос Аэро Лайт 2 Пр Миди
|
Гринлос Аэро Лайт 2
Есть в наличии |
Глубина залегания трубы: 60 см Размеры: 1.57 x 0.93 x 0.93 |
109 800 ₽
122 000 ₽
|
|
|
Гринлос Аэро Лайт 2 НК
Есть в наличии |
Глубина залегания трубы: 30 см Размеры: 1.07 x 1.1 x 1.2 |
114 300 ₽
127 000 ₽
|
|
|
Гринлос Аэро Лайт 2 Пр
Есть в наличии |
Глубина залегания трубы: 60 см Размеры: 1.57 x 0.93 x 0.93 |
118 800 ₽
132 000 ₽
|
|
|
Гринлос Аэро Лайт 2 Пр НК
Есть в наличии |
Глубина залегания трубы: 30 см Размеры: 1.07 x 1.1 x 1.2 |
121 500 ₽
135 000 ₽
|
|
|
Гринлос Аэро Лайт 2 Миди
Есть в наличии |
Глубина залегания трубы: 100 см Размеры: 1.97 x 0.93 x 0.93 |
125 100 ₽
139 000 ₽
|
|
|
Гринлос Аэро Лайт 2 НК Миди
Есть в наличии |
Глубина залегания трубы: 70 см Размеры: 1.47 x 1.1 x 1.2 |
129 600 ₽
144 000 ₽
|
|
|
Гринлос Аэро Лайт 2 Пр Миди
Есть в наличии |
Глубина залегания трубы: 100 см Размеры: 1.97 x 0.93 x 0.93 |
134 100 ₽
149 000 ₽
|
|
|
Гринлос Аэро Лайт 2 Пр НК Миди
Есть в наличии |
Глубина залегания трубы: 70 см Размеры: 1.47 x 1.1 x 1.2 |
138 600 ₽
154 000 ₽
|
Модельный ряд
Монтажные схемы Гринлос Аэро Лайт 2 Пр Миди
Документация
Отзывы о нас на Яндекс
Магнум Траст
5,0
77 оценок
