Преимущества
Среди основных преимуществ ГРИНЛОС Аэро 5 можно выделить следующие:
- Малый вес, при большом запасе прочности
- Высокая степень переработки стоков (до 98%)
- Низкий уровень энергопотребления
- Бесшумность при работе
- Благодаря конструктивным особенностям не имеет ограничений по сбросу
- Управление насосами вынесено за пределы станции
- Отсутствие дорогостоящего оборудования внутри станции.
- Не требует постоянного проживания
- Не требует дополнительных навыков при монтаже и обслуживании
- Не требует расходных материалов (биопрепаратов) и регулярного обслуживания (установил – забыл).
Устройство и принцип работы
Станции Биологической Очистки Аэро 5 предназначены для расщепления и переработки основных органических загрязнений, содержащихся в бытовых сточных водах. Эти процессы происходят в результате жизнедеятельности аэробных микроорганизмов, условия для жизнедеятельности которых создает СБО.
Естественный природный процесс в Аэро 5 оптимизирован путем аэрации стоков и установки биофильтра (специального устройства, на котором образуется биопленка из микроорганизмов). Благодаря использованию двух видов ила – свободного и фиксированного, достигается более высокая степень очистки, удлиняется временной интервал планового обслуживания.
Создание этих условий требует обособленности процессов, разделения стоков по изолированным резервуарам и их последовательного перетекания.
Станция Аэро 5 сконструирована таким образом, что все камеры, в которых происходит аэрация, разделение и осветление стоков объединены в одном корпусе цилиндрической или овальной формы.
СБО Аэро 5 изготавливаются из первичного полипропилена. Корпус разделен на четыре отсека со специальными технологическими переливами. Перетекая из одного отстойника в другой, стоки последовательно проходят процессы усреднения, аэрации, отстаивания, нитрификации и денитрификации и осветления.
В первом отсеке (аэротенке) происходит аэрация стоков при помощи мелкопузырчатого аэратора. Насыщение воды кислородом воздуха является основой для биологического процесса очистки хозяйственно-бытовых стоков.
В процессе аэрации происходит разбиение крупных частиц на более мелкие, насыщение стоков кислородом, создание комфортных условий для жизнедеятельности аэробных микроорганизмов и бактерий. Благодаря аэрации, при поступлении стоков происходит постепенное образование из субстрата хлопьев активного ила.
Далее, через расположенное на заданной высоте технологическое отверстие обогащенные кислородом стоки перетекают во второю камеру (биореактор), где расположена синтетическая инертная загрузка, которая служит для образования иммобилизованного ила, способствующего увеличению окислительной способности и нитрификации активного ила.
Применение фиксированного активного ила обеспечивает его высокую концентрацию в биореакторе, увеличение производительности Станции биологической очистки на 30%, улучшает процесс очистки стоков от трудно окисляемых органических веществ, повышает устойчивость к залповым сбросам, стимулирует процесс нитрификации.
Регенерация биозагрузки (смывание отмершего ила) осуществляется при помощи крупнопузырчатой аэрации. Объем подаваемого для регенерации воздуха регулируется краном. Затем удаленный с загрузки ил посредством эрлифта возвращается в первую камеру.
В третьей камере посредством анаэробных процессов происходит процесс нитрификации и денитрификации стоков, с выделением молекулярного азота. При помощи эрлифта происходит сбор и возврат в биореактор неразложившихся жировых пленок.
Из третьей камеры, после многочисленных циклов очистки, чистая техническая вода, через специальный перелив – успокоитель попадает в пятый, финишный отсек, откуда, в зависимости от модели (самотечная или принудительная) выводится наружу (на грунт, в дренажную или ливневую канаву и т.д.). Неразложившиеся остатки ила, осевшие на дне, эрлифтом подается в иловый стабилизатор. При принудительном варианте отвода стоков дренажный насос располагается выше уровня забора стоков эрлифтом.
Монтаж
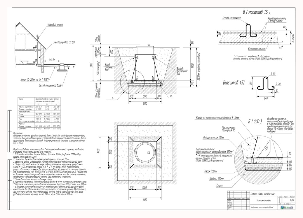
Перед непосредственным монтажом ГРИНЛОС Аэро 5 специалисты осуществляют подготовку котлована. Его размеры определяются конструктивными особенностями выбранной модели оборудования.
По боковым стенкам корпуса должно быть сохранено свободное расстояние до грунта не менее 250 мм. Дно котлована нуждается в более тщательной подготовке. Его подвергают выравниванию с последующей засыпкой слоем песка, обладающим толщиной в пределах 10-15 см. Пазухи котлована подвергают обратной засыпке при помощи песка, который послойно поливают водой. Прежде чем приступить к аналогичным работам, емкость оборудования на четверть заполняют водой. Впоследствии количество воды внутри емкости увеличивают соразмерно уровню засыпки песком наружных стенок. Каждые 200 мм песка подвергаются ручному уплотнению.
Поверх корпуса оборудования выполняется песчаная обсыпка на высоту 150-300 мм. Для подсоединения оборудования к внутренней канализационной магистрали применяют канализационные трубы, предназначенные для эксплуатации в наружной канализационной системе, обладающие диаметром 110мм.
Уклон труб при создании трубопроводной сети должен неизменно составлять 2,5-3 см на каждый метр расстояния.
Способы отвода очищенной воды
Монтаж с самотечным отводом очищенных сточных вод в дренажную канаву. Подходит для хорошо впитывающих грунтов (песок, супесь) и низком уровне грунтовых вод.
При выборе данного способа водоотведения необходимо обеспечить свободное отведение очищенной воды от выпуска трубопровода, необходимо полностью исключить подтопление выпуска. В противном случае, в летний период, трубопровод будет заиливаться и засоряться, а септик ГРИНЛОС Аква 3 низкий корпус будет подвержена обратному затоплению водами с точки сброса. В зимний период, трубопровод и точка сброса будут промерзать. Такие условия работы оборудования приведут к аварии.
Монтаж с отводом очищенных сточных вод в дренажный элемент. Этот вариант позволит в значительной степени сэкономить место на участке, однако дренажный элемент в большей степени подвержен затоплению в условиях подъема грунтовых вод.
Монтаж с отводом очищенных сточных вод в фильтрующий колодец. Подходит для хорошо поглощающих грунтов (песок, супесь) и низком уровне грунтовых вод.
Колодец поглощения может быть выполнен из бетонных колец или при помощи пластикового колодца с перфорированным основанием и стенками. При монтаже колодца поглощения на выпуск трубы рекомендуется смонтировать обратный клапан для защиты ГРИНЛОС Аква 3 низкий корпус от обратного затопления в периоды активного снеготаяния или в дождливое межсезонье. Непосредственно под выпуском отводящей трубы, рекомендуется смонтировать аварийный насос, для дополнительной защиты Станции от обратного затопления из колодца поглощения
Обслуживание
Обслуживание септиков ГРИНЛОС Аэро 5 производится один раз в год по следующему регламенту:
- Перекройте поступающие на очистку стоки.
- Откачайте 2/3 скопившегося осадка со дна и 3 отсеков (ассенизаторской машиной или самостоятельно с помощью дренажного насоса). При этом, если вы откачаете ил целиком из 2 и 3 камер, то станция будет выходить на нормальный режим работы еще несколько недель, поэтому рекомендуется оставлять 20-30% ила.
- Промойте стенки всех камер водой под напором.
