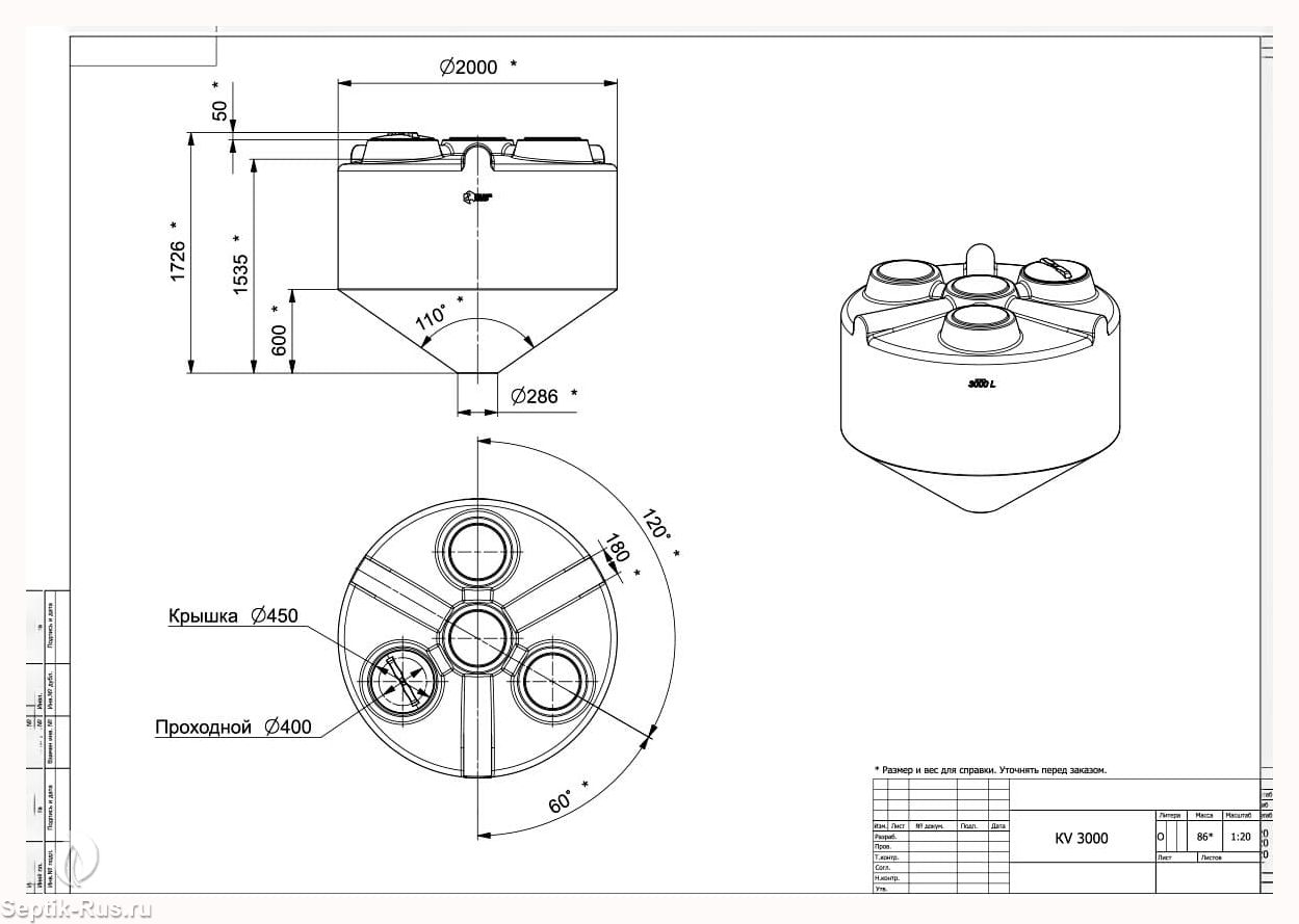
Polimer Group KV 3000

Технические характеристики цилиндрической емкость м³
  • Фактический объем камеры: 3 м³
  • ДхВ: 2x1.72 м
  • Диаметр горловины: 400 м
  • Материал корпуса: Полиэтилен
  • Вес: 90 кг
  • Температура эксплуатации: -30°C до +60°C

Цена:

85 000 ₽

Цена "под ключ":

Смотрите смету